Kuvaus
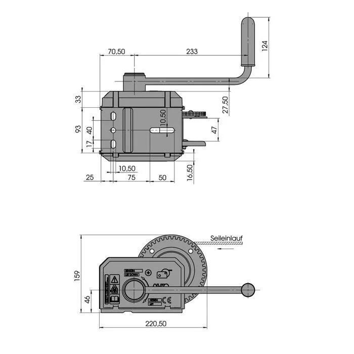
Al-ko 501 Optima ammattikäyttöön, on erittäin laadukas ja turvallinen (automaattinen kuormapaine jarru) vinssi ja soveltuu mainiosti esim. vene- ja autotrailereihin, työkoneisiin jne. Soveltuu sekä veto että nosto käyttöön.Vintturia voi käyttää joko vaijerilla tai liinalla (eivät sis.hintaan). Ei sis. liinankiinnityspulttia.Nostovoima 500/170kg vetokyky rullaava 30% kulma 1500/500kg Välitys: 3,75:1Min. kuorma: 25kgVaijeri max: 5mm/20mLiina: 35mm/4m. Veivin kiristysruuvi/pullti kiristysmomentti 15NM (vasen kierre)





Arviot
Tuotearvioita ei vielä ole.